直流电流变送器

 

 



原理:霍尔闭环测量原理,可隔离测量DCAC、脉冲电流及任意波形电流

 

有两隔离及三隔离可供选择

 

特点:精度高、线性好、低温漂、响应快、宽频带、抗干扰强、过载能力强

 

安装方式:螺丝固定安装及35mm导轨安装

1、技术指标:

型号

指标(25℃

KDA-50A

KDA-100A

KDA-200A

KDA-400A

KDA-500A

KDA-800A

额定电流DCA

50

100

200

400

500

800

输出选择

0-20mA/4-20mA/0-5V/1-5V/0-10V

精度

±0.2%

电源电压选择DC(V)

12V/15V/24V (±5%)

绝缘电阻

100MΩ500VDC

隔离耐压

2.5KVAC,漏电流0. 5 mA 1分钟

反应时间

≤ 10uS

频率范围

0 --- 20KHz

工作温度

-10℃…+50℃

贮存温度

-40℃…+70℃

输出负载

电流:500Ω,电压:≥2KΩ

过载输入

2倍连续

功耗

0.5W

 

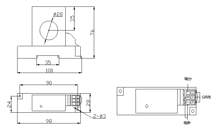
2外形结构(mm): 3、接线说明:

 

 

 

 

 

电话:086-0756-3882216    传真:086-0756-3882236 
© 2015 珠海市星晖电子科技有限公司 版权所有  粤ICP备13009162号