交流电流变送器

 

 



原理:电磁转换隔离原理,可隔离测量AC工频电流及高频电流

 

二线制

 

特点:精度高、线性好、低温漂、响应快、宽频带、抗干扰强、过载能力强

 

安装方式:螺丝固定安装

1、技术指标:

               型号

指标(25℃

JLB100A

JLB200A

JLB300A

JLB400A

JLB500A

JLB600A

JLB800A

额定电流ACA

100

200

300

400

500

600

800

测量范围ACA

150

300

400

500

600

700

900

输出电流DCmA

输出额定值4-20mA对应原边额定电流

精度

±0.5%

电源电压(V)

18-24V(±5%)

绝缘电压

在原边与副边电路之间:  2.5KV有效值/50Hz/1分钟

失调电流

当原边电流IN=0时,最大值:±0.02mA

温漂

最大值:±0.5mV/℃

线性度

≤ ±0.5%

反应时间

≤ 20mS

工作温度

-10℃…+85℃

贮存温度

-40℃…+85℃

负载电阻

>10KΩ

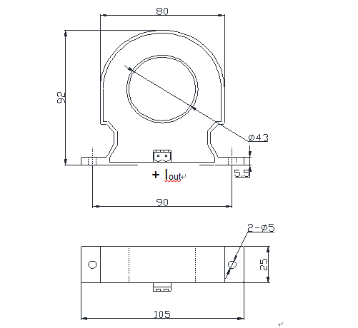
  2外形结构(mm):  

 

 

 

 

电话:086-0756-3882216    传真:086-0756-3882236 
© 2015 珠海市星晖电子科技有限公司 版权所有  粤ICP备13009162号