磁调制直流漏电流传感器 |
||||||||||||||||||||||||||||||||||||||||||||||||||||||||||||||||||||||
●原理:磁调制测量原理,可隔离测量直流漏电流及微小电流信号或电流差值
●有两隔离及三隔离可供选择
●特点:精度高、线性好、低温漂、抗干扰强、过载能力强
●安装方式:螺丝固定安装
1、技术指标:
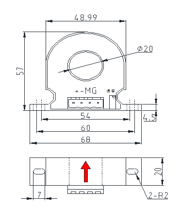
2、外形结构(mm): |
||||||||||||||||||||||||||||||||||||||||||||||||||||||||||||||||||||||

磁调制直流漏电流传感器 |
||||||||||||||||||||||||||||||||||||||||||||||||||||||||||||||||||||||
●原理:磁调制测量原理,可隔离测量直流漏电流及微小电流信号或电流差值
●有两隔离及三隔离可供选择
●特点:精度高、线性好、低温漂、抗干扰强、过载能力强
●安装方式:螺丝固定安装
1、技术指标:
2、外形结构(mm): |
||||||||||||||||||||||||||||||||||||||||||||||||||||||||||||||||||||||
电话:086-0756-3882216 传真:086-0756-3882236 |
© 2015 珠海市星晖电子科技有限公司 版权所有 粤ICP备13009162号 |